氣體滅火知識
消防維保
主機(jī)維修
聯(lián)系我們
- 聯(lián)系人:郭經(jīng)理
- 傳真:010-69552656
- 電話:400-0346-119
- 電話:010-57113119
- 郵箱:506665119@qq.com
- 地址:北京通州區(qū)新華北路117號
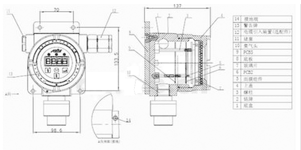
安可信JTQ-AEC2232dX有毒有害氣體檢測報警儀接線圖
來源:北京消防檢測 時間:2018-10-11 13:38:16
結(jié)構(gòu)圖:

接線圖:


來源:北京消防檢測 時間:2018-10-11 13:38:16
結(jié)構(gòu)圖:

接線圖:
